Free cookie consent management tool by
TermsFeed
N.G. ELEKTRO TRADE, a.s.
+420 606 632 895
info@ngelektro.cz
Hledat
Toggle navigation
ÚVOD
O NG ENERGY
KATALOG
KONFIGURÁTOR
PRODEJCI
KE STAŽENÍ
KONTAKTY
>
Katalog
>
Fotovoltaika, solární systémy
>
Asabox DC
> FVE 51 7480.01
Kód položky
FVE 51 7480.01
cena na dotaz
Kde koupit
Poznámka
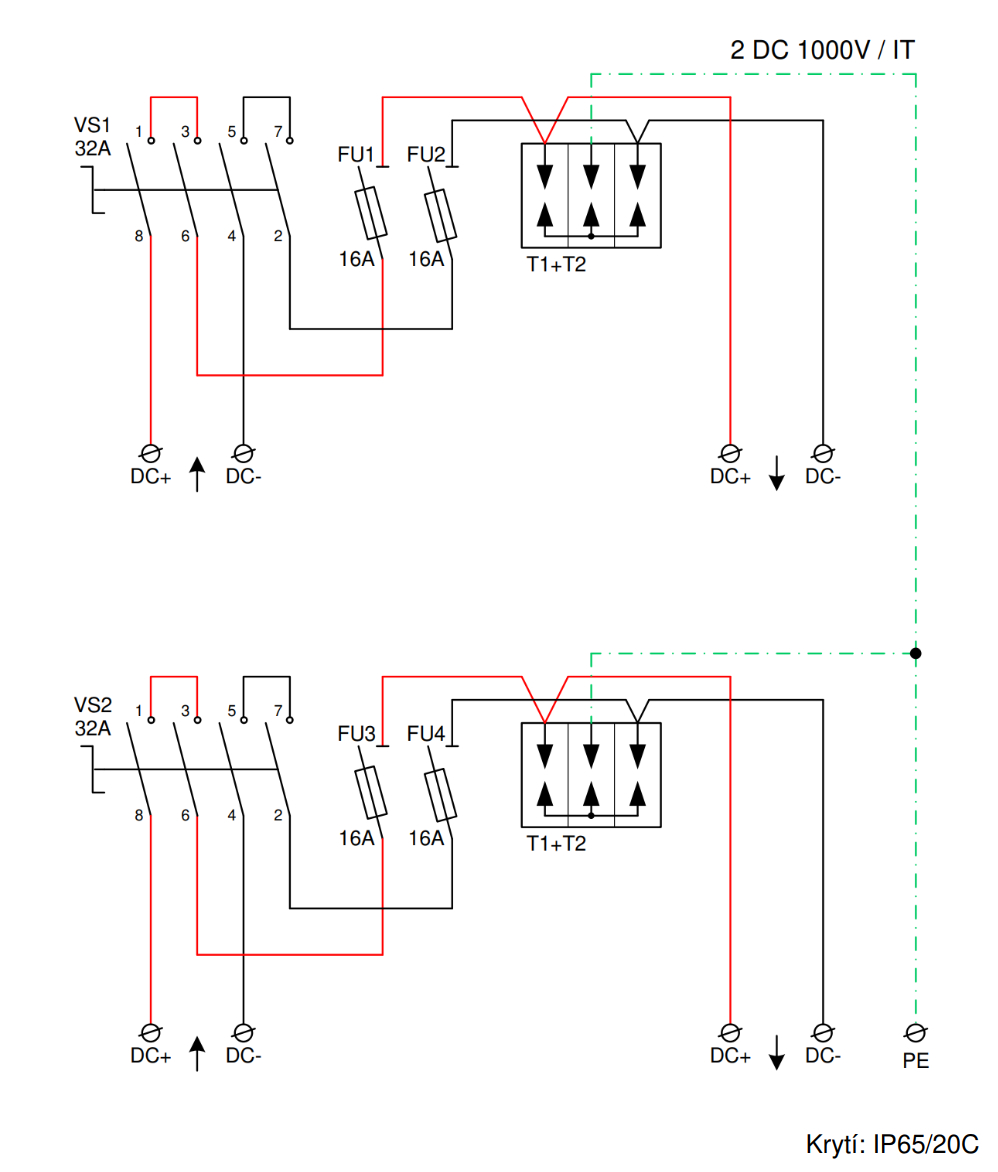
Fotovoltaický rozvaděč pro 2 stringy, ochrana DC vedení o max. napětí 1000V
Parametry
proud 16A, napětí 1000V DC, stupeň ochrany krytem IP65
V souladu s normou
ČSN EN 61439-2 ed.3, příloha DD
Proudový chránič
NE
Jističe
NE
Popis položky ...
Rozměrový obrázek
Schéma zapojení
Položka
Kód
FVE 51 7480.01
Svodič přepětí
2x DC T1+T2, Y, 3-pól., Iimp=6,25kA, In=20kA, Imax=40kA, Uc=1100V DC
Pojistkový odpojovač
2x DC, 2-pól., In=32A, Un=1000V DC, včetně pojistek 16A (10x38 mm)
Vypínač
2x odpojovač PV 32A 1200V DC 4P
Pouzdro typ
ASA NGS 24T
Materiál pouzdra
Odolný plast
Materiál okénka
Polykarbonát
Počet okének
1
Počet modulů pro přístroje
24 modulů
Pouzdro mechanická odolnost [IK]
07
Připojovací svorkovnice
4x RSA 6mm2
Provedení
Nástěnné
Použití
Nástěnné
Madlo
NE
Stupeň ochrany krytem [IP]
IP65
Jmenovitý proud [A]
16A
Jmenovité napětí [V]
1000V DC
Teplotní rozsah použití [°C]
-25°C +40°C
V souladu s normou
ČSN EN 61439-2 ed.3, příloha DD
Vývodka
9x MV-16 IP68 ; 0x MV-16 IP68
Další technické parametry
Tento rozvaděč poskytuje spolehlivé připojení a ochranu pro vaše solární systémy a zajišťuje maximální výkon vaší solární elektrárny.
Logistické údaje
EAN
8596621029367
Hmotnost
4,36 kg
Rozměry použitého pouzdra [mm]
318x258x150
Přepravní obal
KARTON
* Technické změny a případné chyby vyhrazeny