Kód položky
FVE 51 7438.01
cena na dotaz
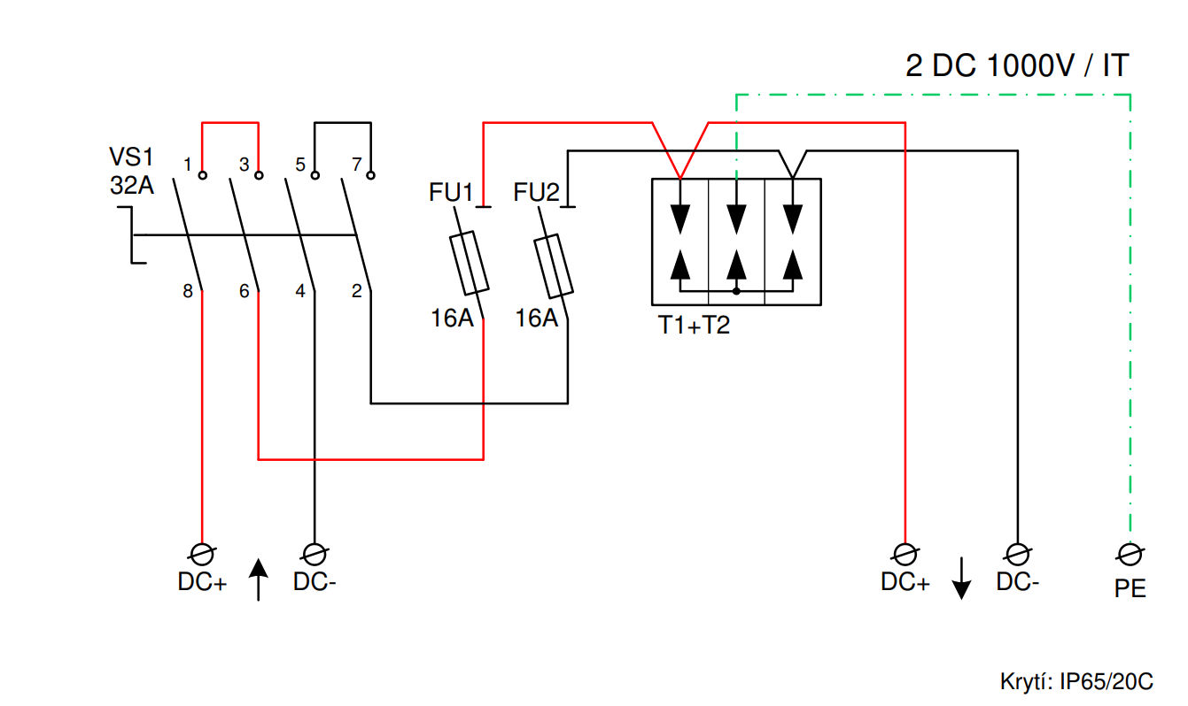
PoznámkaFotovoltaický rozvaděč pro 1 string, ochrana DC vedení o max. napětí 1000V
Parametry proud 16A, napětí 1000V DC, stupeň ochrany krytem IP65
V souladu s normouČSN EN 61439-2 ed.3, příloha DD
Proudový chráničNE
JističeNE
Kód FVE 51 7438.01
Svodič přepětí1x DC T1+T2, Y, 3-pól., Iimp=6,25kA, In=20kA, Imax=40kA, Uc=1100V DC
Pojistkový odpojovač1x DC, 2-pól., In=32A, Un=1000V DC, včetně pojistek 16A (10x38 mm)
Vypínač1x odpojovač PV 32A 1200V DC 4P
Pouzdro typASA NGS 12T
Materiál pouzdraOdolný plast
Materiál okénkaPolykarbonát
Počet okének1
Počet modulů pro přístroje12 modulů
Pouzdro mechanická odolnost [IK]07
Připojovací svorkovnice2x RSA 6mm2
ProvedeníNástěnné
PoužitíNástěnné
MadloNE
Stupeň ochrany krytem [IP]IP65
Jmenovitý proud [A]16A
Jmenovité napětí [V]1000V DC
Teplotní rozsah použití [°C]-25°C +40°C
V souladu s normouČSN EN 61439-2 ed.3, příloha DD
Vývodka5x MV-16 IP68 ; 0x MV-16 IP68
Tento rozvaděč poskytuje spolehlivé připojení a ochranu pro vaše solární systémy a zajišťuje maximální výkon vaší solární elektrárny.
Rozváděč je navržen jako DC ochranný a odpojovací bod pro jeden fotovoltaický string. Oproti základním verzím je vybaven výkonným otočným odpínačem, který umožňuje bezpečné a viditelné odpojení DC strany pod zátěží, což je klíčové pro bezpečný servis střídače.

Hlavní funkční prvky:
Výkonový odpínače (VS1): Čtyřpólový otočný odpínač s jmenovitým proudem 32 A umožňuje bezpečné přerušení stejnosměrného proudu i při plném výkonu panelů.
Jisticí sekce (FU1–FU2): Každý pól stringu (+ i -) je osazen pojistkovým odpojovačem s gPV pojistkou, která je konstruována přímo pro fotovoltaické systémy a bezpečně zháší oblouk při nadproudu.
Ochrana proti blesku a přepětí: Kombinované svodiče T1+T2 chrání střídač před indukčními účinky blesku a atmosférickým přepětím.
EAN8596621028544
Hmotnost2,64 kg
Rozměry použitého pouzdra [mm]318x258x150
Přepravní obal KARTON

* Technické změny a případné chyby vyhrazeny

NGS 12T.jpg
FVE 51 7438.01